ENEM 2014 · Caderno Azul · Questão -33/135

Dificuldade TRI: 1.58
Física > Associação de Resistores > Circuitos Mistos
Circuitos Mistos aparece em ~1% das questões de Física do ENEM (177 questões).
Habilidade: 5
ENEM 2023
Q8 — Amarela
18.7% acertaram
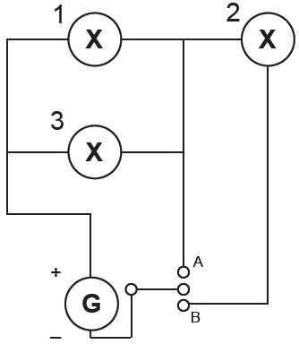
O circuito com três lâmpadas incandescentes idênticas, representado na figura, c
ENEM 2018
Q12 — Rosa
20.4% acertaram
Muitos smartphones e tablets não precisam mais de teclas, uma vez que todos os c
ENEM 2017
Q-75 — Rosa
46.3% acertaram
Fusível é um dispositivo de proteção contra sobrecorrente em circuitos. Quando a
ENEM 2016
Q14 — Azul
Resposta mais escolhida entre quem errou: D (21.3%)
24.9% acertaram
Por apresentar significativa resistividade elétrica, o grafite pode ser utilizad