afa 2025 · Questão 61/53
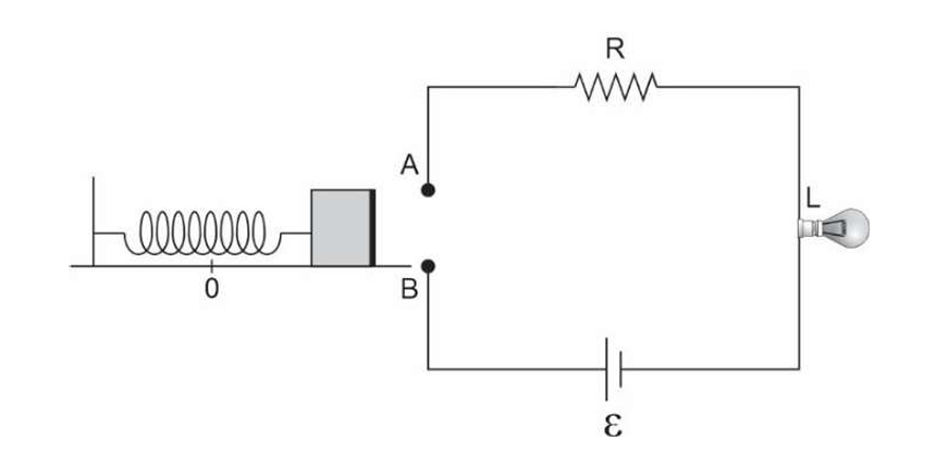
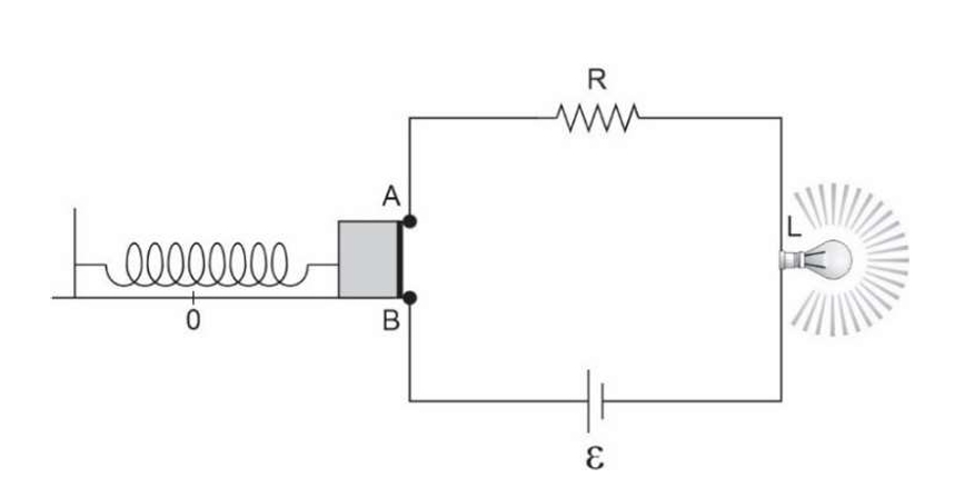
O circuito simples constituído por um pequeno resistor R, uma lâmpada L e uma bateria ε, é ligado e desligado por uma chave composta de um oscilador, do tipo massa-mola horizontal, que se move em movimento harmônico simples, e toca suave e periodicamente os terminais A e B do circuito, conforme figuras 1 e 2 a seguir.
Dessa forma, a lâmpada L emite pulsos luminosos na frequência de 10-1 Hz.
Considere que a mola ideal, de constante elástica , seja eletricamente isolante, bem como a plataforma horizontal sobre a qual o bloco condutor de massa M oscila; que o contato entre o bloco e os terminais A e B aconteça no ponto de máxima energia potencial do oscilador massa-mola.
Nessas condições, a massa M tem valor, em kg, igual a


Resolução passo a passo com explicação detalhada
Física > Dinâmica > Força Elástica e Lei de Hooke
Força Elástica e Lei de Hooke aparece em ~1% das questões de Física (114 questões no banco).
USS (Univassouras) 2024
Questão 27
Faixas de resistência são faixas elásticas populares para treinos funcionais, al
UNICAMP 2024
Questão 32
Em um experimento destinado a investigar propriedades elásticas, uma diminuta po
UEL 2023
Questão 20
Em navios porta-aviões, para pousos e decolagens, é utilizado um equipamento elá
PUC - RS 2023
Questão 41
O Pilates® tem como base um conceito denominado de contrologia, que consiste no