

Resolução passo a passo com explicação detalhada
Física > Mecânica > Estática
Estática aparece em ~3% das questões de Física (504 questões no banco).
AFA 2025
Questão 52
Sobre um plano, inicialmente na direção horizontal, é apoiado um bloco de massa
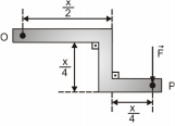
FUVEST/OBJ 2025
Questão 59
No sistema esquematizado, os corpos A e B têm massas iguais e estão em equilíbri
ENEM 2024
Questão 23
Nos automóveis, é importante garantir que o centro de massa (CM) de cada conjunt
UFRR 2024
Questão 28
Se uma partícula em equilíbrio, em relação a certo referencial, está sob a ação
EsPCEx 2024
Questão 32
Em um rio, um barco está amarrado a uma estaca através de uma corda ideal com 5,