
Resolução passo a passo com explicação detalhada
Física > Associação de Resistores > Circuitos Mistos
Circuitos Mistos aparece em ~1% das questões de Física (177 questões no banco).
ENEM/OBJ 2025
Questão 106
O termistor é um componente eletrônico cuja resistência elétrica varia de acordo
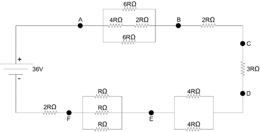
Fuvest 2024
Questão 57
A foto a seguir mostra um circuito com três resistores (𝑅1, 𝑅2 e 𝑅3) conectad
ENEM 2023
Questão 8
O circuito com três lâmpadas incandescentes idênticas, representado na figura, c
UNISC 2023
Questão 23
Tem-se um circuito elétrico composto por uma fonte de tensão e 3 lâmpadas iguais